Would you like to make this site your homepage? It's fast and easy...
Yes, Please make this my home page!
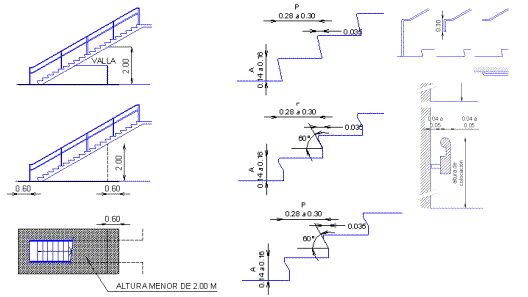
Escaleras:
Las
escaleras que no contemplan los requerimientos del diseño universal representan
un obstáculo para personas con discapacidad visual, semiambulatorios, ancianos
y niños pequeños. El diseño inadecuado tanto de escalones como de pasamanos
puede ocasionar accidentes o dificultad en el uso. Lo que sigue es un fragmento
del texto de la reglamentación de la ley Nacional 24 314, decreto 914/97.
Circulaciones
verticales
- -
Escaleras y escalones.
- El
acceso a escaleras y escalones será fácil y franco y estos escalones estarán
provistos de pasamanos.
No se admitirán escalones en coincidencia con los umbrales de las puertas.
Se deberá respetar las superficies de aproximación para puertas según el
ítemA.1.3.5 de la reglamentación del artículo 21.
-
-
- -
Escaleras principales.
- No
tendrán más de (12) doce alzadas corridas entre rellanos y descansos.
- No
se admitirán escaleras principales con compensación de escalones y
tampoco deberán presentar pedadas de anchos variables ni alzadas de
distintas alturas.
-
-
- Las
dimensiones de los escalones, con o sin interposición de descansos, serán
iguales entre sí y de acuerdo con la siguiente fórmula:
- 2a
+ p = 0,60 a 0,63 donde, a (alzada) superficie o paramento vertical de un
escalón:no será menor que 0,14 m ni mayor que 0,16 m p (pedada) superficie
o paramento horizontal de un escalón: no será menor que 0,28 m ni mayor
que 0,30 m, medidos desde la proyección de la nariz del escalón inmediato
superior, hasta el borde del escalón.
-
- La
nariz de los escalones no podrá sobresalir más de 0,035 m sobre el ancho
de la pedada y la parte inferior de la nariz se unificará con la alzada con
un ángulo no menor de 60º con respecto a la horizontal.
-
-
- El
ancho mínimo para escaleras principales será de 1,20 m y se medirá entre
zócalos.
Cuando la escalera tenga derrame lateral libre en uno o en ambos lados de la
misma, llevará zócalos. La altura de los mismos será de 0,10 m medidos
desde la línea que une las narices de los escalones.
Al comenzar y finalizar cada tramo de escalera se colocará un solado de
prevención de textura en relieve y color contrastante con respecto al de
los escalones y el solado del local, con un largo de 0,60 m por el ancho de
la escalera.
-
-
- Se
destacará la unión entre la alzada y la pedada (sobre la nariz del escalón),
en el primer y último peldaño de cada tramo.
-
-
En escaleras suspendidas o con bajo escalera abierto, con altura inferior a
la altura de paso, se señalizará de la siguiente manera:
- en
el solado mediante una zona de prevención de textura en relieve y color
contrastante con respecto al solado del local y la escalera mediante una
disposición fija de vallas o planteros que impidan el paso por esa zona.
-
-
- A.1.4.2.1.2 Pasamanos en
escaleras:
Se
colocarán pasamanos a ambos lados de la escalera a 0,90 m 0,05 m, medidos
desde la nariz del escalón hasta el plano superior del pasamano.
- La
forma de fijación no interrumpirá la continuidad, se sujetará por la
parte inferior y su anclaje será firme. La sección transversal será
circular o anatómica; la sección tendrá un diámetro mínimo de 0,04 m y
máximo de 0,05 m y estará separado de todo obstáculo o filo de paramento
a una distancia mínima de 0,04m.
- Se
extenderán horizontalmente a la misma altura del tramo oblicuo, antes de
comenzar y después de finalizar el mismo, a una longitud mínima de 0,15 m
y máxima de 0,40 m. No se exigirá continuar los pasamanos, salvo las
prolongaciones anteriormente indicadas en los descansos y en el tramo
central de las escaleras con giro. Al finalizar los tramos horizontales los
pasamanos se curvarán sobre la pared o hacia abajo, o se prolongarán hasta
el piso.
-
- Las
prolongaciones horizontales de los pasamanos no invadirán las
circulaciones. Cuando el ancho de la escalera supere los 2,40 m, se colocará
un pasamano intermedio con separación de 1,00 m con respecto a uno de los
pasamanos laterales.
A.1.4.2.1.3 Escaleras mecánicas:
En los sectores de piso de ascenso y descenso de una escalera mecánica, se
colocará una zona de prevención de solado diferente al del local con textura
en relieve y color contrastante. Se extenderá frente al dispositivo en una zona
de 0,50 m 0,10 m de largo por el ancho de la escalera mecánica, incluidos los
pasamanos y parapetos laterales.
Volver